برند: بنگل نواداتوضیحات: پد نصب Din-Mount جایگزینشرط: کاملاً جدیدگواهی نامه: گزارش تست COO نامه ضمانت نامهگارانتی: 1 سالموجودی qty: 10اصطلاح پرداخت: T/Tبندر حمل و نقل: شنژنBanly Nevada 138493-01 یک واشر نصب جایگزین است که برای نصب راه آهن DIN طراحی شده است. این طراحی شده است تا با سنسورهای خاص و سایر دستگاه ها نصب شود تا اطمینان حاصل شود که دستگاه به طور محکم بر روی راه آهن DIN ثابت است.
| ساخت | بنگل نوادا | 
| شماره مدل | 138493-01 | 
| شماره سفارش | 138493-01 | 
| کاتالوگ | - | 
| کشور مبداء | آمریکا | 
| کد HS | 90318090 | 
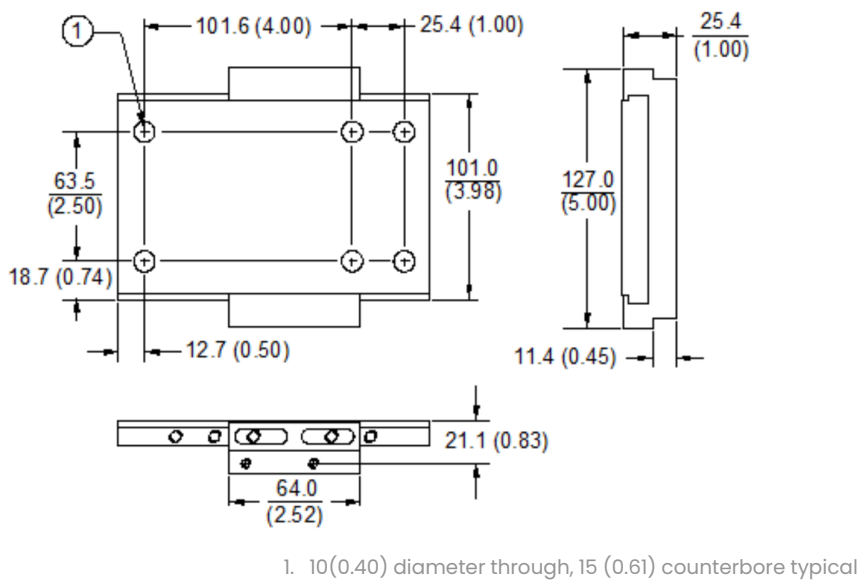
| بعد | 25*25*10 سانتی متر | 
| ابعاد بسته بندی | 30*28*12cm | 
| وزن | 1.5 کیلوگرم | 
بررسی اجمالی محصول
	
مواد و دوام: ساخته شده از مواد درجه صنعتی
نصب آسان: به هیچ ابزار خاصی ، نصب ضربه محکم و ناگهانی نیاز ندارد ، مطابق با استانداردهای DIN EN 60715 است.
سازگاری: کاملاً با طراحی باریک سنسور پروکسیمیتور 3300 XL مطابقت دارد.
	 
ویژگی های محصول
نصب آسان: Banly Nevada 138493-01 به طور خاص برای نصب Rail Din طراحی شده است ، این امکان را برای نصب سریع و دقیق دستگاه ، کاهش زمان نصب و هزینه های کار فراهم می کند.
پایدار و قابل اعتماد: بنگل نوادا 138493-01 با مهندسی دقیق و مهندسی شده برای قرار دادن بین راه آهن DIN و دستگاه ، پشتیبانی از نصب پایدار و جلوگیری از لرزش ، حرکت و سایر موارد در طول کار.
	
برنامه
سیستم های نظارت بر تجهیزات صنعتی: Banly Nevada 138493-01 معمولاً برای نصب سنسورهای مختلف نظارت بر تجهیزات صنعتی مانند سنسورهای لرزش و سنسورهای جابجایی استفاده می شود و از نصب پایدار اطمینان می یابد. این سیستم ها به طور گسترده ای برای نظارت بر تجهیزات در صنایعی مانند نیرو ، پتروشیمی و تولید صنعتی استفاده می شوند.
تجهیزات خط تولید خودکار: به طور کلی نوادا 138493-01 که در خطوط تولید خودکار استفاده می شود ، این سیستم ها را می توان برای ایمن سازی ماژول های کنترل ، ابزارهای آزمایش و سایر تجهیزات که نیاز به نصب دقیق روی ریل های DIN دارند ، استفاده کنید و از پایداری در طول عملکرد خط تولید با سرعت بالا اطمینان حاصل کنید.
	
یادداشت های نصب
مراحل نصب:
واشر قدیمی را بردارید → واشر جدید را با شکافها تراز کنید → بر روی راه آهن DIN فشار دهید تا ایمن شود.
الزامات گشتاور:
حداکثر گشتاور برای همه موضوعات 45 نانومتر (400 در · lbf) است. با این حال ، واشر خود یک طراحی فوری بدون نخ است ، بنابراین هیچ گشتاور لازم نیست.
مورد نیاز فضایی:
حداقل عرض 89.4 میلی متر (3.52 اینچ) به علاوه 3.05 میلی متر اضافی (0.12 اینچ) از ترخیص کالا از گمرک برای حذف لازم است.
	
مدل های دستگاه قابل اجرا
برای سنسور پروکسیمیتور 3300 XL 50 میلی متر فقط در نسخه DIN Rail Mount ، پسوندهای مدل مربوطه عبارتند از:
330878-51 (طول سیستم 5 متری ، Din Mount)
330878-91 (طول سیستم 9 متر ، DIN Mount)
توجه: برای نسخه های صفحه پانل (پسوندهای مدل -50/-90) ، قسمت یدکی 138492-01 لازم است.